O sistema hidráulico personalizado é uma parte essencial da sociedade, afetando tudo, desde os pr...
Veja mais
Muita atenção é dada à contaminação do fluido hidráulico, geralmente visto como sujeira, água e a...
Veja mais
Especificando e instalando uma unidade de energia hidráulica para sistemas automatizados de fixaç...
Veja mais
O filtro / regulador / lubrificador modular (FRL) da Excelon Plus oferece desempenho e seguranç...
Veja mais
Em qualquer instalação mecânica, a manutenção e o cuidado adequados e proativos das válvulas sole...
Veja maisAs válvulas borboleta já existem há muito tempo e são usadas para uma variedade de aplicações. El...
Veja mais
Enquanto a Alemanha fecha a usina nuclear, o Japão lida com a reação de Fukushima e os governos n...
Veja mais
Quando há um boom em uma indústria, geralmente segue-se que haverá uma maior demanda por trabalha...
Veja mais
A maioria dos sensores de proximidade industriais (indutivos, capacitivos, ultrassônicos e fotoel...
Veja mais
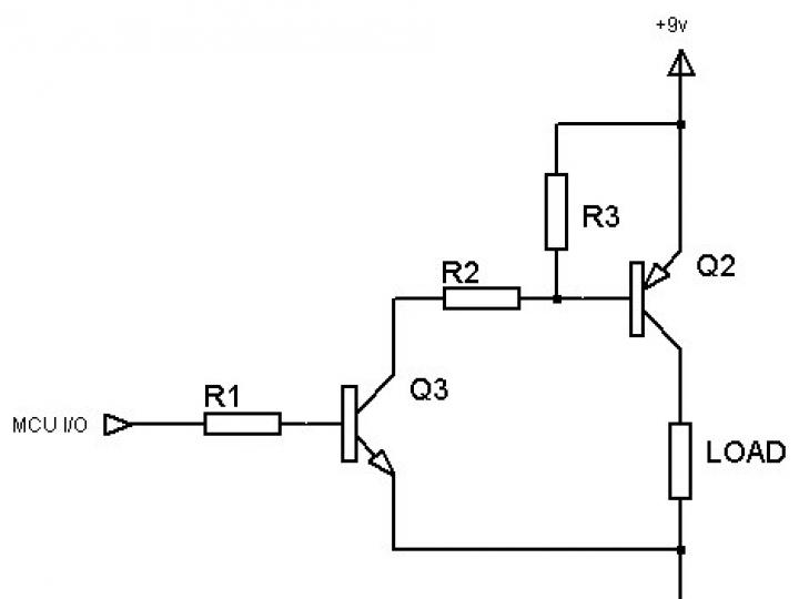
O circuito mostrado aqui foi usado com sucesso em uma linha de transporte que processou grandes b...
Veja mais
Especificando e instalando uma unidade de energia hidráulica para sistemas automatizados de fixaç...
Veja mais
Uma colaboração massiva de engenharia e design trouxe a visão do mundialmente renomado arquiteto ...
Veja mais